Dažādi jautājumi par 9-3 (2.daļa)


User avatar
vjdzonny
Eksperts, ne tehniskais
Eksperts, ne tehniskais
Posts: 81
Joined: Sat Mar 17, 2012 8:51 am
Location: Latvia

Re: Dažādi jautājumi par 9-3 (2.daļa)

Post by vjdzonny »

Rastaman wrote: Thu Jul 02, 2020 3:00 pm Laba diena. Ir īpašumā Saab 9-3 1.9 ttid. Viss jau būtu super, tikai pēdējā laikā sācis niķoties... Tātad minot čībā pēc 3000 rpm krasi pazūd jauda un sāk tā lēzeni raustīties. Jāteic, ka sākums ar tāds pašvaks. Karoč ceļ tikai no 2000rpm līdz 3000rpm. Un patēriņš degvielai palicis lielāks. Iepriekšējo 5.7/100 tagad ir 7.4/100
Kas par vainu varētu būt?
Paldies par atbildēm jau iepriekš.
Pie līdzīgiem simptomiem pārbaudīju sprauslas, viena bija nobeigusies. Nomainīju to un tagad virs 3000rpm vairs neraustās un neslāpst nost, man gan meta kļūdu par zemu degvielas spiediens reilā.
SAAB 9-3 1.9TiD 150HP 2008
User avatar
ZZ_ZingZeng
Zināms jau visiem
Zināms jau visiem
Posts: 301
Joined: Thu Apr 07, 2016 10:30 am

Re: Dažādi jautājumi par 9-3 (2.daļa)

Post by ZZ_ZingZeng »

Tur var būt vairāki iemesli, vislabāk pieslēgt pie kompīša nevis zīlēt.
Tikai SAAB lietotājs no 1993.g. - 2024.g.
Desmitais SAABs, pirmais dīzelis - 9-5 1.9TID vagons.
Pirms tam: 99GL Combi Coupe, 99GL, og900T, og900t, 900SPG, 2x9000aero, 9-3SE HOT, 9-5t vagons.
Doicis
Kaut ko sāk saprast
Kaut ko sāk saprast
Posts: 25
Joined: Sun Sep 06, 2020 11:07 am

Re: Dažādi jautājumi par 9-3 (2.daļa)

Post by Doicis »

Sveiciens Pilotiem! Uz nākošos eļļas maiņu, gribu noņemt eļļas pannu un iztīrīt, arī nomainīt eļļas pumpim blīvīti. Lai neuzrastos problēmas ar eļļas spiedienu, dēļ blīvītes. Manam minitraktora motoram Z19DT V8 , tā blīvīte ir tāda pate kā lielo traktoru motoriem Z19DTH un Z19DTR? Meklēju googlē bet īsti skaidras atbildes nesaņēmu.
Saab 9-3 SW Z19DT 2008
User avatar
Milicis
Zināms jau visiem
Zināms jau visiem
Posts: 173
Joined: Wed Oct 04, 2017 12:44 am

Re: Dažādi jautājumi par 9-3 (2.daļa)

Post by Milicis »

Ir lielas aizdomas, ka šim motoram to nevajag darīt. Spiediens parasti zūd Aero versijām ar divām turbīnām. Un Opeļa 2.0 cdti dzinējiem. Kāds zinošāks lai palabo, ja kļūdos.
V70 un Saab 9-3
User avatar
saab21
Saab Kluba biedrs
Saab Kluba biedrs
Posts: 726
Joined: Thu Mar 12, 2015 4:26 pm
Contact:

Re: Dažādi jautājumi par 9-3 (2.daļa)

Post by saab21 »

Doicis wrote: Fri Oct 02, 2020 11:59 am Sveiciens Pilotiem! Uz nākošos eļļas maiņu, gribu noņemt eļļas pannu un iztīrīt, arī nomainīt eļļas pumpim blīvīti. Lai neuzrastos problēmas ar eļļas spiedienu, dēļ blīvītes. Manam minitraktora motoram Z19DT V8 , tā blīvīte ir tāda pate kā lielo traktoru motoriem Z19DTH un Z19DTR? Meklēju googlē bet īsti skaidras atbildes nesaņēmu.

Ja ļoti patīk sekss ar dīzeli, droši vari ņem nost karteri un tīrīt (tīrs karteris nekad nenāk par sliktu).
Ja prasi vai tavam dzinējam tas ir akūti, tad, nē. Šī problēma aktuāla ir tikai DTR dzinējiem ar biturbo bloku.
99 1975 Combi Coupe
900 1986 Turbo Commander edition
9³ SW 1.9 Biturbo Aero
9³ OG Convertible with b234R Powered by Jancis Stg4

Ex9000 Amethyst Violet Powered by KoreFun Stg1.5; Ex9³ SS 2003 2.0T Aero swap. Powered by Jancis; Ex9³ SW 2008 1.9 Stg1
Doicis
Kaut ko sāk saprast
Kaut ko sāk saprast
Posts: 25
Joined: Sun Sep 06, 2020 11:07 am

Re: Dažādi jautājumi par 9-3 (2.daļa)

Post by Doicis »

Paldies par atbildi :) . Ir vel viens jautājums, par 12v piepīpētājiem. Pie ātrum kloķa tas 12v piepīpētājs strādā , bet rokas balsta bardačokā un bagažniekā nestrādā. Ar multimetru izmērīju spriegumu 0,6V. Meklēju vainu drošinātājos, pēc mātes googles, par viņiem atbild 10drošinātājs panelī, vesals. Ņēmu atkal talkā multimetru, līdz drošinātājam nemaz nepienāk 12v(0,6V). Varbūt kādam tā vel ir bijis? Kur ko skatīt?
Saab 9-3 SW Z19DT 2008
Uldis666
Jauniņais
Jauniņais
Posts: 2
Joined: Sat Oct 03, 2020 9:42 pm

Re: Dažādi jautājumi par 9-3 (2.daļa)

Post by Uldis666 »

Sveiki biedri

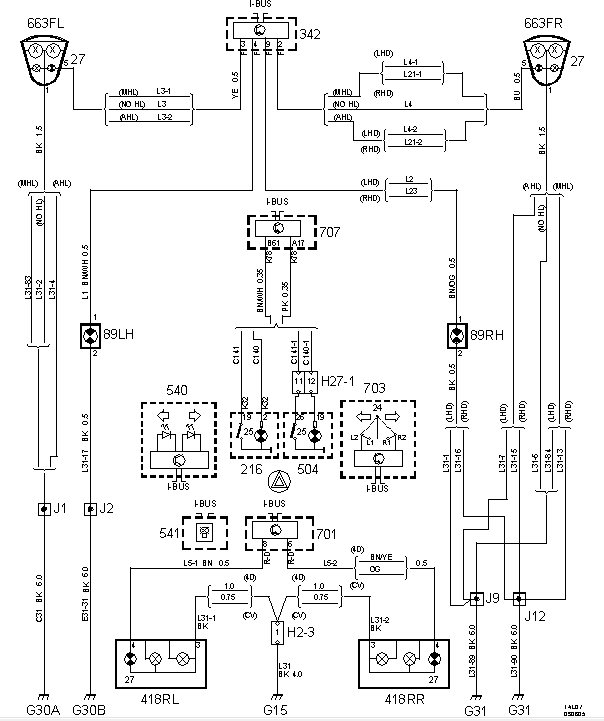
Vai kādam gadījumā nav 2004 gada 9-3 2.0t elektroshēma, es ļoti vēlos pagrieziena lukturus korekti sataisīt?:)

Google pa brīvu man neko neatrod , diemžēl
User avatar
Arnijs
Dievs
Dievs
Posts: 7176
Joined: Tue Jan 15, 2008 3:54 am
Location: Riga

Re: Dažādi jautājumi par 9-3 (2.daļa)

Post by Arnijs »

Uldis666 wrote: Sat Oct 03, 2020 9:46 pm Sveiki biedri

Vai kādam gadījumā nav 2004 gada 9-3 2.0t elektroshēma, es ļoti vēlos pagrieziena lukturus korekti sataisīt?:)

Google pa brīvu man neko neatrod , diemžēl
Baidos gan, ka maz Tev tas ko palīdzēs....
Attachments
pagr.PNG
Visa elektronika darbojas uz burvju zilajiem dūmiem, kas atrodas tās iekšienē. Tad, kad šie dūmi izlaužas ārpusē, tad arī elektronikai psec.
YTC Īslīces 16
SAAB, Youngtimer un citu auto remonts t.29293629
Uldis666
Jauniņais
Jauniņais
Posts: 2
Joined: Sat Oct 03, 2020 9:42 pm

Re: Dažādi jautājumi par 9-3 (2.daļa)

Post by Uldis666 »

Mega PALDIES
Doicis
Kaut ko sāk saprast
Kaut ko sāk saprast
Posts: 25
Joined: Sun Sep 06, 2020 11:07 am

Re: Dažādi jautājumi par 9-3 (2.daļa)

Post by Doicis »

Sveiciens visiem. Šodien mana SAABīne tik pieslēgta pie normālā kompa, nevis bluetooth puļķa kas man ir mājas, kas arī ne visu rāda :lol: . Bija 2kļūdas P0380 kuru varēja nodzēst, un P1180 kuru nevarēja nodzēst. Cik sapratu, tā P0380 ir par kvēlsvecēm. Bet īsti netieku skaidrībā ar P1180. Kas viņa īsti ir? :think:
Saab 9-3 SW Z19DT 2008
User avatar
hofmaks
Forums - otrās mājas
Forums - otrās mājas
Posts: 1766
Joined: Mon Dec 01, 2008 5:15 am

Re: Dažādi jautājumi par 9-3 (2.daļa)

Post by hofmaks »

p1180 diesel preheat fault.......check fuse36 and relay (middle row 2nd one up as you look at them) in engine bay fuse box, try removing and cleaning connections..
http://www.sensonpaint.lv
29940215
LV

Saab 9-5 2000 2.3t aero TD04HL-16T , B234i camshafts,3.5bar fuel pressure,lightweight flywheel,ecm soft powered by Jancis :D
User avatar
Milicis
Zināms jau visiem
Zināms jau visiem
Posts: 173
Joined: Wed Oct 04, 2017 12:44 am

Re: Dažādi jautājumi par 9-3 (2.daļa)

Post by Milicis »

Es teiktu, ka degvielas filtra apsilde nestrādā.
V70 un Saab 9-3
difers
Kaut ko sāk saprast
Kaut ko sāk saprast
Posts: 20
Joined: Fri Jun 14, 2019 10:19 pm

Re: Dažādi jautājumi par 9-3 (2.daļa)

Post by difers »

Vajadzīga neliela palīdzība. Saab 9-3og 2,0t 99g Pēkšņi pārstāja darboties orģinālā pults (banāns). Pirmais ko izdariju- nomainiju bateriju. Esošajā bija 2,9V. Izmeiģināju visas sihronizācijas kas aprakstītas atrodamajos avotos. Centrālā atslēga no slēdža mašīnā darbojas- bagažnieks no pogas durvīs darbojas. Problēmu saasina fakts ka durvju atslēgas nedarbojas un ir tikai viena pults. Ieteikumi, komentāri, risinājumi?
Doicis
Kaut ko sāk saprast
Kaut ko sāk saprast
Posts: 25
Joined: Sun Sep 06, 2020 11:07 am

Re: Dažādi jautājumi par 9-3 (2.daļa)

Post by Doicis »

Milicis wrote: Sat Oct 10, 2020 12:45 pm Es teiktu, ka degvielas filtra apsilde nestrādā.
Paldies Pilot! :D Vainenieks bija, savienojums bākas labajā pusē, kurš īsti nesavienoja + vadu. :lol:
Saab 9-3 SW Z19DT 2008
User avatar
Arnijs
Dievs
Dievs
Posts: 7176
Joined: Tue Jan 15, 2008 3:54 am
Location: Riga

Re: Dažādi jautājumi par 9-3 (2.daļa)

Post by Arnijs »

difers wrote: Wed Oct 14, 2020 7:27 pm Vajadzīga neliela palīdzība. Saab 9-3og 2,0t 99g Pēkšņi pārstāja darboties orģinālā pults (banāns). Pirmais ko izdariju- nomainiju bateriju. Esošajā bija 2,9V. Izmeiģināju visas sihronizācijas kas aprakstītas atrodamajos avotos. Centrālā atslēga no slēdža mašīnā darbojas- bagažnieks no pogas durvīs darbojas. Problēmu saasina fakts ka durvju atslēgas nedarbojas un ir tikai viena pults. Ieteikumi, komentāri, risinājumi?
Slēdzenes serdenis "izlec"? Nav ieķēries?
Visa elektronika darbojas uz burvju zilajiem dūmiem, kas atrodas tās iekšienē. Tad, kad šie dūmi izlaužas ārpusē, tad arī elektronikai psec.
YTC Īslīces 16
SAAB, Youngtimer un citu auto remonts t.29293629
Post Reply